无锡市昌林自动化科技有限公司
主营:无锡市昌林自动化科技有限公司主要有液压元件液压阀(电液阀、电磁换向阀、溢流阀、卸荷阀、逆止阀、单向阀、节流阀、顺序阀、减压阀、支撑阀、手动换向阀、压力继电器、流量阀、调速阀、比例阀、放大器、平衡阀、充液阀、行程阀、分流阀、波压锁、盖板、插件、插装阀等)
服务电话
13812199898
网站首页
关于我们
产品中心
公司新闻
技术中心
客户案例
人才招聘
在线留言
联系我们
所在位置:
首页
>
产品中心
>
东京机器型液压
联系方式
CONTACT US
液压气动销售部:
联系人:张经理
QQ:2355802921
联系电话:13812199898微信同号
联系人:李经理
QQ:292500455
联系电话:13861877712微信同号
公司地址:无锡市会北路28-135号(无锡光电新材料科技园)
公司官网:http://www.110055.net/
产品目录
PRODUCT
液压元件 液压阀
气源处理器 辅助元件
接头 PU气管 消声器
液压 油压缓冲器
缸类执行元件
泵类,马达,电机组
真空元件及吸盘
液压辅助元件
气动控制元件
液压气动汇总
东京机器型液压
海门型液压阀
油研型液压阀
力士乐型液压阀
上海型液压阀
广研所型液压阀
威格士型液压阀
产品详情
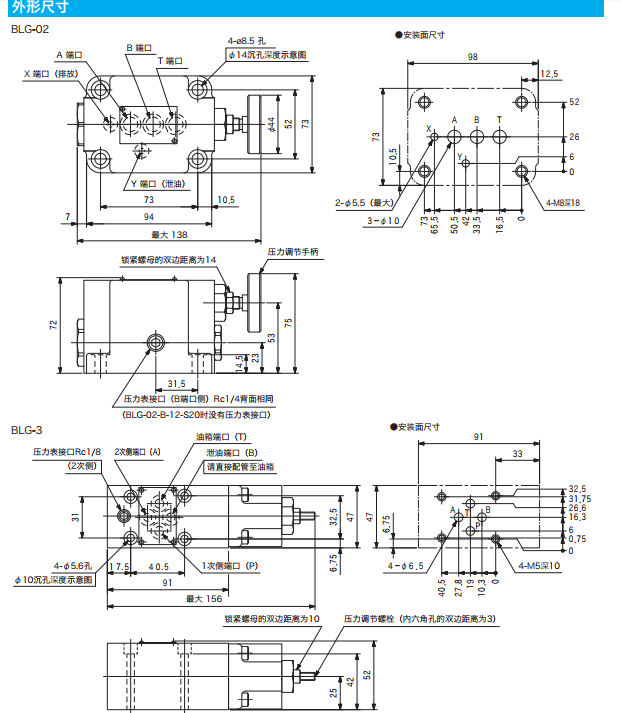
BLG-3-B-10,BLG-02-B-12-S20,BLG平衡阀(溢流减压阀)
如果您对该产品感兴趣的话,可以
产品名称:
BLG-3-B-10,BLG-02-B-12-S20,BLG平衡阀(溢流减压阀)
产品型号:
BLG平衡阀(溢流减压阀) BLG-3-B-10,BLG-02-B-12-S20,
产品展商:
其它品牌
产品文档:
无相关文档
简单介绍
BLG-3-B-10,BLG-02-B-12-S20,BLG平衡阀(溢流减压阀)
产品描述
BLG-3-B-10,BLG-02-B-12-S20,BLG平衡阀(溢流减压阀)
产品留言
标题
联系人
联系电话
内容
验证码
点击换一张
注:1.可以使用快捷键Alt+S或Ctrl+Enter发送信息!
2.如有必要,请您留下您的详细联系方式!
Copyright@ 2003-2025
无锡市昌林自动化科技有限公司
版权所有
电话:13861877712
传真:
地址:无锡市会北路28-135号(无锡光电新材料科技园)
邮编: