无锡市昌林自动化科技有限公司 主营:无锡市昌林自动化科技有限公司主要有液压元件液压阀(电液阀、电磁换向阀、溢流阀、卸荷阀、逆止阀、单向阀、节流阀、顺序阀、减压阀、支撑阀、手动换向阀、压力继电器、流量阀、调速阀、比例阀、放大器、平衡阀、充液阀、行程阀、分流阀、波压锁、盖板、插件、插装阀等)
服务电话
13812199898
所在位置:
联系方式CONTACT US
液压气动销售部:
联系人:张经理
QQ:2355802921
联系电话:13812199898微信同号
联系人:李经理
QQ:292500455
联系电话:13861877712微信同号
公司地址:无锡市会北路28-135号(无锡光电新材料科技园)
公司官网:http://www.110055.net/
产品详情

SM4-30,SM4-30(15)57-80/65-20,SM4-30(20)76-80/65-20,SM4-30(25)95-80/65-20,威格士-Vickers,伺服阀

  • 如果您对该产品感兴趣的话,可以
  • 产品名称:SM4-30,SM4-30(15)57-80/65-20,SM4-30(20)76-80/65-20,SM4-30(25)95-80/65-20,威格士-Vickers,伺服阀
  • 产品型号:SM4-30,SM4-30(20)76-80/65-20,SM4-30(15)57-80/65-20
  • 产品展商:其它品牌
  • 产品文档:无相关文档
简单介绍

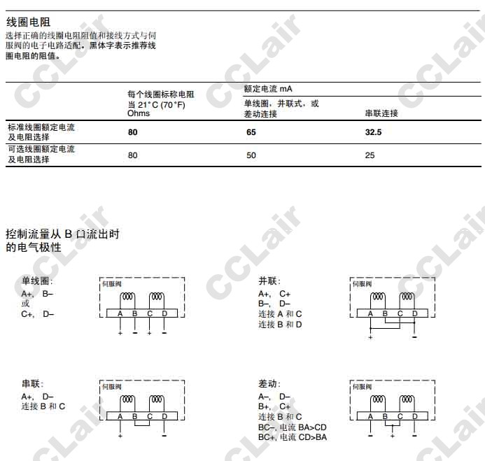
SM4-30,SM4-30(15)57-80/65-20,SM4-30(20)76-80/65-20,SM4-30(25)95-80/65-20,威格士-Vickers,伺服阀

产品描述
SM4-30,SM4-30(15)57-80/65-20,SM4-30(20)76-80/65-20,SM4-30(25)95-80/65-20,伺服阀
SM4-30(30)113-80/65-20,SM4-30(15)57-80/50-20,威格士-VickersSM4-30(20)76-80/50-20,SM4-30(25)95-80/50-20,SM4-30(30)113-80/50-20,
产品留言
标题
联系人
联系电话
内容
验证码
点击换一张
注:1.可以使用快捷键Alt+S或Ctrl+Enter发送信息!
2.如有必要,请您留下您的详细联系方式!
Copyright@ 2003-2026  无锡市昌林自动化科技有限公司版权所有      电话:13861877712 传真: 地址:无锡市会北路28-135号(无锡光电新材料科技园) 邮编: